Product Overview
The main feature of KYN61-40.5 armored movable AC metal enclosed switchgear (hereinafter referred to as "switchgear") is that it is equipped with ZN85-40.5 fully insulated vacuum circuit breaker and spring operating mechanism inside the cabinet. The cabinet body is assembled with steel plate spray coating, which improves the matching accuracy between the handcart and the cabinet body. The handcart is very easy to push and pull out, and has strong interchangeability. Beautiful appearance, complete design, safe and reliable use.
This product is used in a 35kV three-phase AC 50Hz power system as a distribution room for power plants, substations, and industrial and mining enterprises to receive and distribute electrical energy. It has functions such as control, protection, and monitoring. This product complies with the standards of GB3906 "3-35kV AC Metal Enclosed Switchgear" GB/TI1022 "Common Technical Requirements for High Voltage Switchgear and Control Equipment Standards", DL/T404 "Technical Conditions for Ordering AC High Voltage Switchgear", and IEC60298 "AC Metal Enclosed Switchgear and Control Equipment with Rated Voltage Above 1kV and Below 52kV".
Normal usage conditions
Surrounding air temperature: maximum temperature+40 ℃, minimum temperature -15 ℃.
Humidity conditions: Daily average relative humidity: ≤ 95%.
The daily average water vapor pressure shall not exceed 2.2kPa.
The monthly average relative humidity is 90%.
The monthly average water vapor pressure is 1.8kPa.
Altitude: below 4000m.
Seismic intensity: not exceeding 8 degrees.
The surrounding air should not be significantly polluted by corrosive or flammable gases, water vapor, etc.
Places without frequent and intense vibrations.
When used under normal conditions beyond GB3906, the user and our company shall negotiate.
Model and its meaning

Main technical parameters

Technical parameters of ZN85-40.5 circuit breaker with spring operated mechanism (integrated)

Structural characteristics
This product is divided into two main parts: cabinet and handcart. The cabinet is made of bent steel plates, sprayed with plastic, and assembled with bolts. According to functional characteristics, it can be divided into four parts: small busbar room, relay instrument room, handcart room, cable room, and busbar room, each separated by a grounded metal partition. The protection level of the cabinet shell is IP4X; The handcart compartment door is open, with a protection level of IP2X.
This switchgear has main circuit schemes such as cable in and out lines, overhead in and out lines, busbar connection, isolation, voltage transformers, lightning arresters, etc. The busbar adopts composite insulation, and insulation sleeves made of flame-retardant materials are injected into the phases and connectors. The adjacent cabinets of the main busbar are separated by wall sleeves, which can effectively prevent the spread of accidents and provide auxiliary support for the main busbar. The cable room is equipped with overvoltage protection devices such as grounding switches.
There is a metal valve installed in front of the contact box. The upper and lower valves automatically open during the movement of the handcart from the disconnect/test position to the working position, and automatically close when the handcart moves in the opposite direction, effectively isolating it from high voltage. The interlocking between the main switch, handcart, grounding switch, and cabinet door adopts a mandatory mechanical locking method to meet the "five prevention" functional requirements.
The circuit breaker handcart adopts a screw driven propulsion mechanism and a overrunning clutch. The screw nut pushing mechanism can be easily operated to move the handcart between the test position and the working position. With the self-locking property of the screw nut, the handcart can be reliably locked in the working position, preventing accidents caused by handcart movement due to electric power. The overrunning clutch works when the handcart moves back to the test position and reaches the working position, causing the operating shaft and screw shaft to automatically disengage and spin, which can prevent damage to the propulsion mechanism due to misoperation. Other handcarts use lever propulsion mechanisms. The experimental work position is locked with positioning pins.
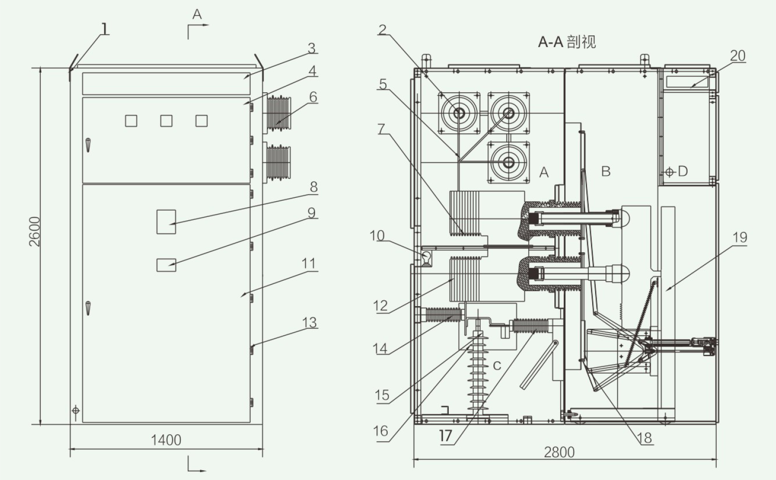
Schematic diagram of switchgear structure

A. Busbar room B. Handcart room C. Cable room D. Relay instrument room 1. Main busbar of suspension ring 2. Small busbar room cover ring 3. Instrument room door 4. Branch busbar 5. Busbar bushing 6. Contact box 7. Simulated busbar coil 8. Simulated busbar coil 9. Nameplate 10. lighting lamp 11. Handcart compartment door 12. Ourrent transformer 13. Hinge 14. Insulator 15. Zinc oxide lightning arrester 16. Insulating barrier 17. Grounding switch 18. Valve assembly 19. Vacuum circuit breaker handcart 20 Small busbar terminal room